QP係列氣動鉗盤式製動器
概述: QP(CQP) 係列氣動鉗盤製動器主要用於起重、運輸、冶金、礦山、港口、建築等機械中各種機構的製動和減速。
使用條件:環境溫度: -5℃-40℃ 工作氣壓: QP係列為5-7bar; CQP 係列為≦7bar。 戶外雨雪侵蝕或有腐蝕性氣體和介質應采用防腐型產品。 空氣源不應有油、水和其他雜質。
主要特點:QP 係列為彈簧製動,氣動釋放; CQP 係列為氣壓製動,彈簧釋放。 整體結構簡單,體積小,重量輕。 無石棉製動襯墊,綠色環保。 製動襯墊安裝采用壓簧卡裝式,更換方便快捷。 製動襯墊磨損後調整方便簡單。 QP 係列每種規格製動器的一種盤徑可進行四級製動力矩調整。 所有動力源無需單獨設置,可與已有的空壓站並網使用,在供氣線路中加裝調速閥,製動時間可實現無級調整。
注: 1 、可生產不同盤厚、不同安裝尺寸的氣動鉗盤製動器。 2 、具體型號、結構外形尺寸保留更改的權利。
產品詳情

例如:1、選用QP12.7型、A型氣包、彈簧為6根、氣包左式安裝,其訂貨標記為QP12.7-A-6左;
2、選用QPL12.7A型、B型氣包、帶機械式鬆閘顯示,氣包右式安裝,其訂貨標記為QPL12.7A-B-E1右。
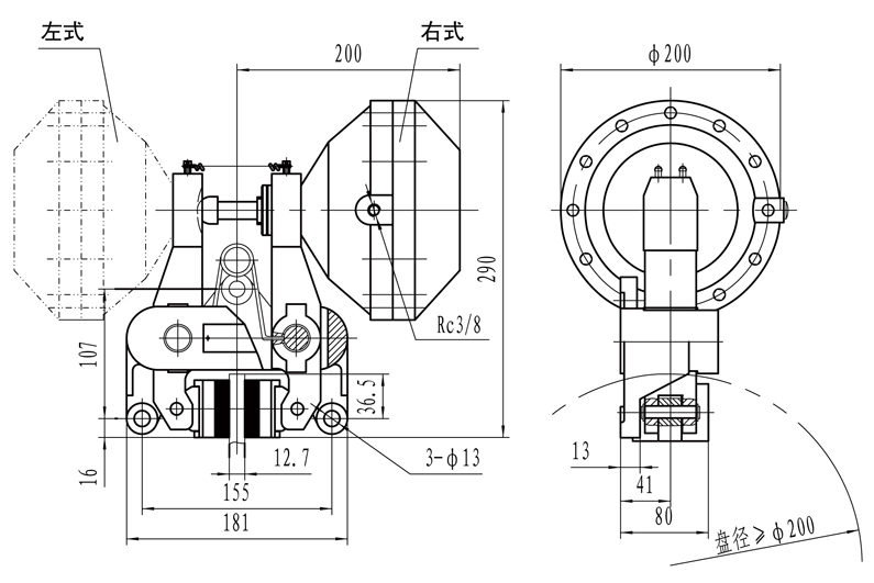
QP(CQP)12.7型

QP12.7型
|
型號 |
額定製動力(N) (八根彈簧) |
製動盤有效半徑(m) |
額定製動力矩(Nm) |
工作氣體容量(cm3) |
總氣體容量(cm3) |
重量(kg) |
|
QP12.7-A |
6400 |
製動盤半徑-0 . 03 |
額定製動力X有效半徑 |
273 |
553 |
24 |
|
QP12.7-B |
4800 |
140 |
293 |
20 |
CQP12.7型
|
型號 |
額定製動力(N) |
製動盤有效半徑(m) |
額定製動力矩(Nm) |
工作氣體容量(cm3) |
總氣體容量(cm3) |
重量(kg) |
|
CQP12.7-A |
1788X工作氣壓 |
製動盤半徑-0 . 03 |
額定製動力X有效半徑 |
273 |
553 |
23 |
|
CQP12.7-B |
1055X工作氣壓 |
140 |
293 |
19 |
QP12.7-C型
氣包帶自動補償機構,製動襯墊磨損後無需人工調整,方便省時。

|
型號 |
額定製動力(N) (八根彈簧) |
製動盤有效半徑(m) |
額定製動力矩(Nm) |
工作氣體容量(cm3) |
總氣體容量(cm3) |
重量(kg) |
|
QP12.7-C |
6400 |
製動盤半徑-0 . 03 |
額定製動力X有效半徑 |
273 |
553 |
25 |
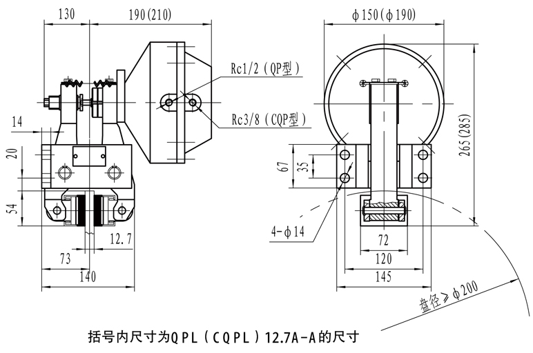
QPL12.7A型

QPL12.7A型
|
型號 |
額定製動力(N)(八根彈簧) |
製動盤有效半徑(m) |
額定製動力矩(Nm) |
工作氣體容量(cm3) |
總氣體容量(cm3) |
重量(kg) |
|
QPL12.7A-A |
6400 |
製動盤半徑-0.03 |
額定製動力X有效半徑 |
273 |
553 |
24 |
|
QPL12.7A-B |
4800 |
140 |
293 |
20 |
CQPL12.7A型
|
型號 |
額定製動力(N) |
製動盤有效半徑(m) |
額定製動力矩(Nm) |
工作氣體容量(cm3) |
總氣體容量(cm3) |
重量(kg) |
|
CQPL12.7A-A |
1788X工作氣壓 |
製動盤半徑-0.03 |
額定製動力X有效半徑 |
273 |
553 |
23 |
|
CQPL12.7A-B |
1055X工作氣壓 |
140 |
293 |
19 |
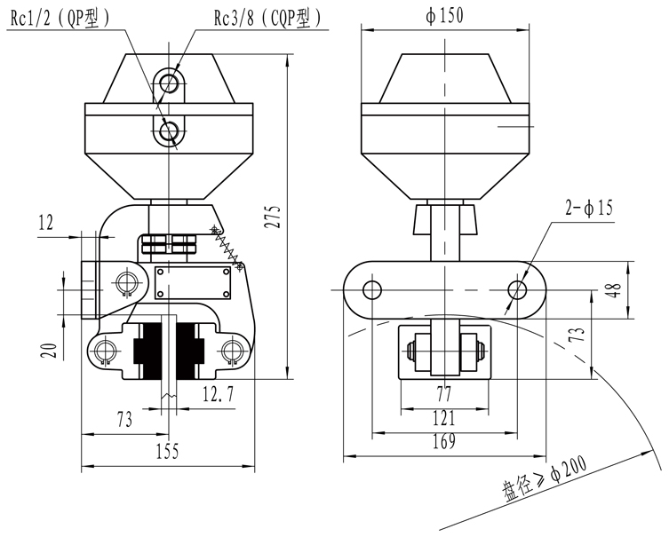
QPL(CQPL)12.7-B型

QPL12.7-B型
|
型號 |
額定製動力(N)(八根彈簧) |
製動盤有效半徑(m) |
額定製動力矩(Nm) |
工作氣體容量(cm3) |
總氣體容量(cm3) |
重量(kg) |
|
QPL12.7-B |
2100 |
製動盤半徑-0.03 |
額定製動力X有效半徑 |
140 |
293 |
11 |
CQPL 12.7-B型
|
型號 |
額定製動力(N) |
製動盤有效半徑(m) |
額定製動力矩(Nm) |
工作氣體容量(cm3) |
總氣體容量(cm3) |
重量(kg) |
|
CQPL12.7-B |
416X工作氣壓 |
製動盤半徑-0.03 |
額定製動力X有效半徑 |
140 |
293 |
10 |
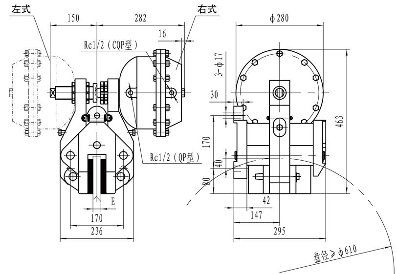
QP(CQP)30 ( 25.4 )型

QP30 ( 25.4 )型
|
型號 |
E |
額定製動力(N) (12根彈簧) |
製動盤有效半徑(m) |
額定製動力矩(Nm) |
工作氣體容量(cm3) |
總氣體容量(cm3) |
重量(kg) |
|
QP30-D |
30 |
32800 |
製動盤半徑-0. 065 |
額定製動力X有效半徑 |
1400 |
3000 |
70 |
|
QP25.4-D |
25.4 |
CQP30 (25.4) 型
|
型號 |
E |
額定製動力(N) (12根彈簧) |
製動盤有效半徑(m) |
額定製動力矩(Nm) |
工作氣體容量(cm3) |
總氣體容量(cm3) |
重量(kg) |
|
CQP30-D |
30 |
6097X工作氣壓 |
製動盤半徑-0. 065 |
額定製動力X有效半徑 |
1400 |
3000 |
68 |
|
CQP25.4-D |
25.4 |
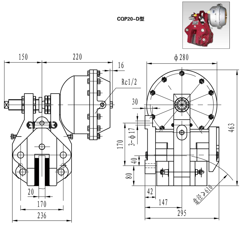
CQP20-D型

CQP20-D型
|
型號 |
額定製動力(N) |
製動盤有效半徑(m) |
額定製動力矩(Nm) |
工作氣體容量(cm3) |
總氣體容量(cm3) |
重量(kg) |
|
CQP20-D |
6097X工作氣壓 |
製動盤半徑-0. 065 |
額定製動力X有效半徑 |
1400 |
3000 |
68 |
手機版|
關注公眾號|

官方公眾號
掃碼手機店鋪

第2年